EC35

产品特点

EC35点型有气体/氧气探测器

- 高精度进口电化学式传感器 - 多种信号输出、带HART通讯接口、多种线制连接
- 插拔式智能化传感器模块,更换方便 - 红外遥控或磁棒调节标定,操作方便
- 自动调零、自动识别故障及自动提示错误 - 爆炸性气体环境和可燃性粉尘环境防爆双认证

技术参数

检测原理

有气体、氧气...电化学

挥发性有机物...光致电离

检测方式扩散式
显示方式LCD显示,LED指示
报警方式LED光报警、可配防爆声光报警器(选购)
防爆标志

Ex d ⅡC T6 Gb  /  Ex tD A21 IP66 T80℃

Ex ia ⅡC T6 Gb

防护等级IP66
外形尺寸140*200.2*108mm(WxHxD)
重 量2200克(铝合金壳体)
壳体材质 铝合金/S316不锈钢
传输电缆 ≤1000m,3(4)×1.5mm²、≤1500m,3(4)×2.5mm²
环境温度 -40℃~+70℃ (需同时参考传感器规格 )
相对湿度15~95%RH/无凝结
报警方式LED光报警(可选配爆声光报警器)
调节方式红外遥控器、磁棒
电源24VDC(15~30VDC)
功耗≤3W(带防爆声光报警器≤5W)
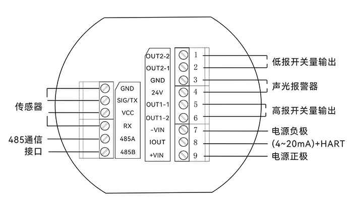
输出信号


4-20mA(三线制)


继电器 高低断报警开关量输出(2A 30VDC)


24VDC继电器输出(驱动声光报警器)


MODBUS/RS485


4-20mA+HART(选购)


电气接口两接口,NPT3/4″(F)(可按要求配置不同规格尺寸)

产品结构及施工图

返回顶部